Der STM32F4x1 bezieht seine Versorgung aus dem Akku über einen MCP1702-33.
Das Abschalten der Versorgungsspannung der Sensoren bzw. SIM7600E erfolgt über einen P-Kanal-MOSFET (STD26P3 o.ä.) als High-Side-Schalter, der über einen Transistor angesteuert wird. Die Schaltung (High-Side-Switch) findet sich an diversen Stellen im Netz.
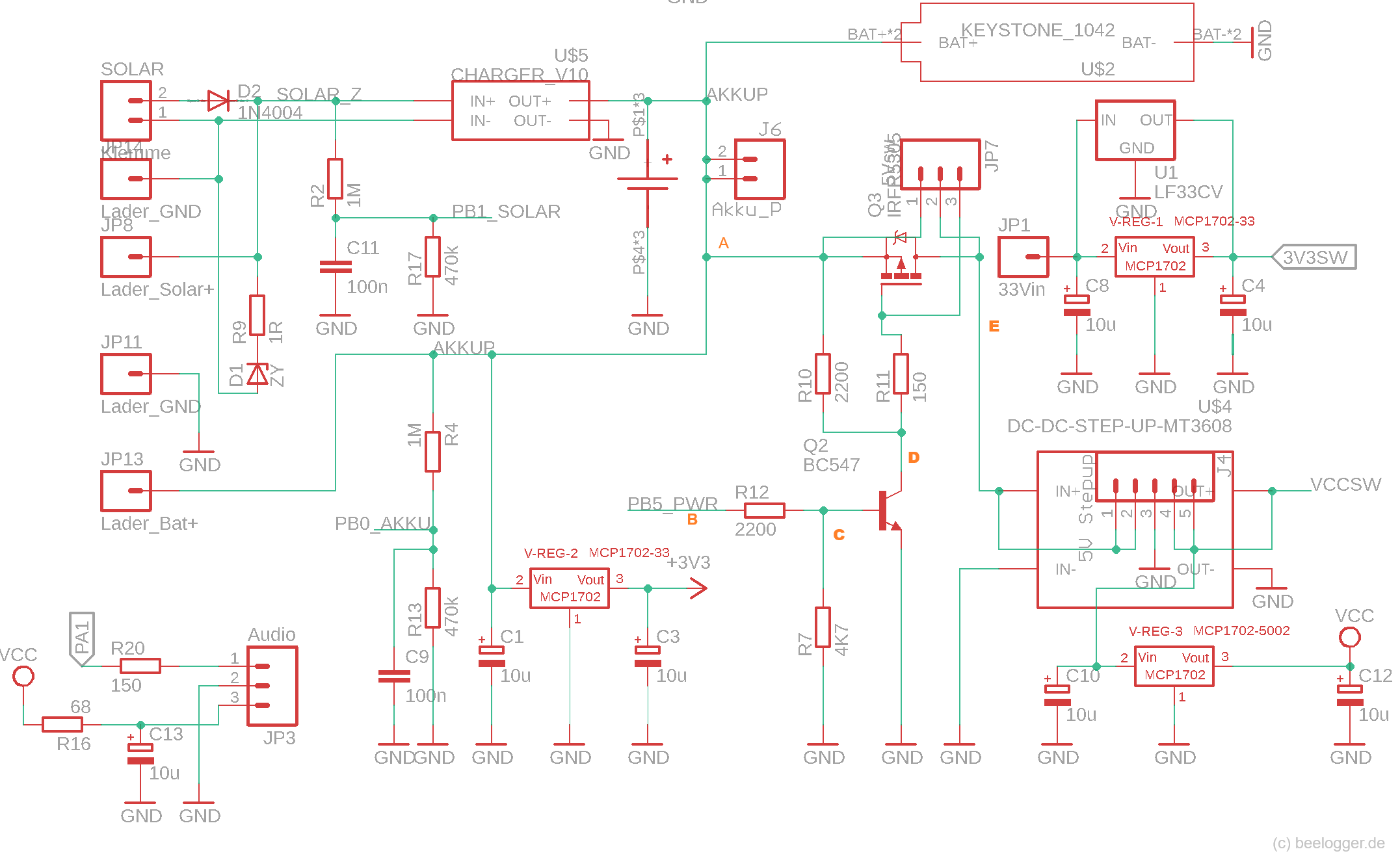
Über den MOSFET wird der MT3608 eingeschaltet und im Messzyklus werden die Sensoren mit 5V versorgt.
Das WLAN-Modul wird über einen MCP1702-33 (Platinenmitte) mit 3,3V gespeist.
Die Anschaltungen der Sensoren erfolgen jeweils nach den Datenblättern der Hersteller. Hierzu finden sich viele Beispiele im Netz.
Für einen groben Überblick über den Aufbau auf Basis des beelogger-SMD haben wir diesen Ungültige-Download-ID. erstellt.
Die Verwendung der Pins des STM32-Modul im beelogger findet sich hier.
Für die Fehlersuche:
a: Anschaltung MOSFET mit Messpunkten

Messpunkte in dieser Reihenfolge kontrollieren:
1. STM32-Modul entfernen,
2. Jumper ( = Messpunkt „A“) stecken
3. Spannungen messen:
– Messpunkt „A“: Ubat
– Messpunkt „B“: ~0V
– Messpunkt „C“: ~0V
– Messpunkt „D“: UBat
– Messpunkt „E“: ~0V
4. Drahtbrücke von „+3,3V“/“VCC“ nach „PB5“ einbauen, siehe Inbetriebnahme.
Ggf. Während Einbau der Brücke Jumper ziehen und danach wie stecken.
5. Spannungen messen:
– Messpunkt „A“: Ubat
– Messpunkt „B“: ca. +3,3V
– Messpunkt „C“: 0,7V
– Messpunkt „D“: 0V
– Messpunkt „E“: Ubat
Fehlersuche, Reihenfolge einhalten:
Spannung an „A“ fehlt: Leiterbahn vom Akku defekt, Jumper nicht gesteckt
+3,3V an „B“ fehlt: MCP1702-33 defekt, Kurzschluß auf +3,3V
0,7V an „C“ größer 1V oder kleiner 0,5V: BC548 defekt oder Leiterbahnunterbrechung
0V an „D“ größer 0,5V: BC548 defekt oder Leiterbahnunterbrechung
Ubat an „E“ ist nicht Ubat: Widerstände 2k0 und 150 kontrollieren, ev. MOSFET defekt
b: Messpunkt für Spannung ADC-Kalibrierung:
An „MP1“ ist ca. 1/3 der Akkuspannung vorhanden, wenn Steckbrücke Jumper gesteckt.
Bei ca. 4V Akkuspannung ergeben sich ca. 1,3V zwischen Pin „PB0“ und GND.
c: weitere Fehlerbehebung -> Support
Sonstiges:
Der SIM7600E wird über einen zweiten MOSFET mit Spannung versorgt. Er wird nur bei Sendezyklen (PB4) eingeschaltet.
Der MCP1702-33 in Platinenmitte dient allein der Versorgung des ESP8266. Für den Dauerbetrieb eines Systems mit Bienenzähler (WLAN) wird anstelle des MCP1702-33 ein LF33CV verwendet.

An den div. Pins des STM32F4xy für DS18B20, DHT, Regensensor und I2C sind Pull-Up Widerstände 4,7k angeschlossen.

